Application Type
Patents
Application SubType
National Patent
(10) Registration Number and Date
Status
ACTIVE ( Document published)
(180) Expiration Date
(20) Filing Number and Date
TH 2501007121 2025.10.17
(40) Publication Number (Gazette Number) and Date
(12/2569)
2026.03.23
(86) PCT Filing Number and Date
(87) PCT Publication Number and Date
(85) National Entry Date
(30) Priority Details
TW
TW113140595
2024.10.24
(51) IPC Classes
(71/73) Applicant
(TH) มาทาทากิโทโย ทูล โค., แอลทีดี. : เลขที่ 21, เลน 97, เหอจัว สตรีท, เฟิงหยวน ดิสตริคท์, ไถจง ซิตี้ 420, ไต้หวัน (สาธารณรัฐจีน)
(72) Inventor
(TH) อู๋, อี้-หมิน : เลขที่ 21, เลน 97, เหอจัว สตรีท, เฟิงหยวน ดิสตริคท์, ไถจง ซิตี้ 420, ไต้หวัน (สาธารณรัฐจีน)
(74) Representative
(TH) นาย กฤชากร นิ่มเวไนย์ : บริษัท อนันต์ดา อินเทลเลคชวล พร็อพเพอร์ตี้ จำกัด 20 อาคารบุปผจิต ชั้นที่ 16 ห้องเอ1 สาทรเหนือ ตำบลสีลม อำเภอบางรัก จังหวัดกรุงเทพมหานคร
นางสาว มนต์ณัฐ ธีระชาติ : บริษัท อนันต์ดา อินเทลเลคชวล พร็อพเพอร์ตี้ จำกัด 20 อาคารบุพจิตชั้น 16 สาทรเหนือ ตำบลสีลม อำเภอบางรัก จังหวัดกรุงเทพมหานคร
(54) Title
(TH)

ชุดอุปกรณ์ประแจปอนด์

(57) Abstract
(TH)

OCR 07AP

ชุดอุปกรณ์ประแจปอนด์รวมเอาตัวประแจปอนด์ หัวประแจปอนด์ไมโครคอนโทรลเลอร์ และวงจร

เลือกแจ้งเตือนว่าเกิดแรงบิด วงจรเลือกแจ้งเตือนว่าเกิดแรงบิดมีการจัดโครงร่างให้ส่งสัญญาณเลือกแจ้งเตือน

ว่าเกิดแรงบิดไปยังไมโครคอนโทรลเลอร์ ไมโครคอนโทรลเลอร์มีการจัดโครงร่างให้รับสัญญาณเลือกแจ้ง

เตือนว่าเกิดแรงบิดเพื่อให้มีค่าขีดจำกัดล่างแจ้งเตือนว่าเกิดแรงบิดและค่าขีดจำกัดบนแจ้งเตือนว่าเกิดแรงบิด

ค่าขีดจำกัดบนแจ้งเตือนว่าเกิดแรงบิดมีค่ามากกว่าค่าขีดจำกัดล่างแจ้งเตือนว่าเกิดแรงบิด

(58) Citations
License Details
(98) Annuity Details
YearValidity StartValidity EndPayment
Document Type Date Action
description 2026-03-23T00:00:00Z
abstract 2026-03-23T00:00:00Z
claims 2026-03-23T00:00:00Z
gazette 2026-03-23T00:00:00Z
Event NameDateLink
Application filed2025-10-17
Document published2026-03-23

1

OCR 07AP

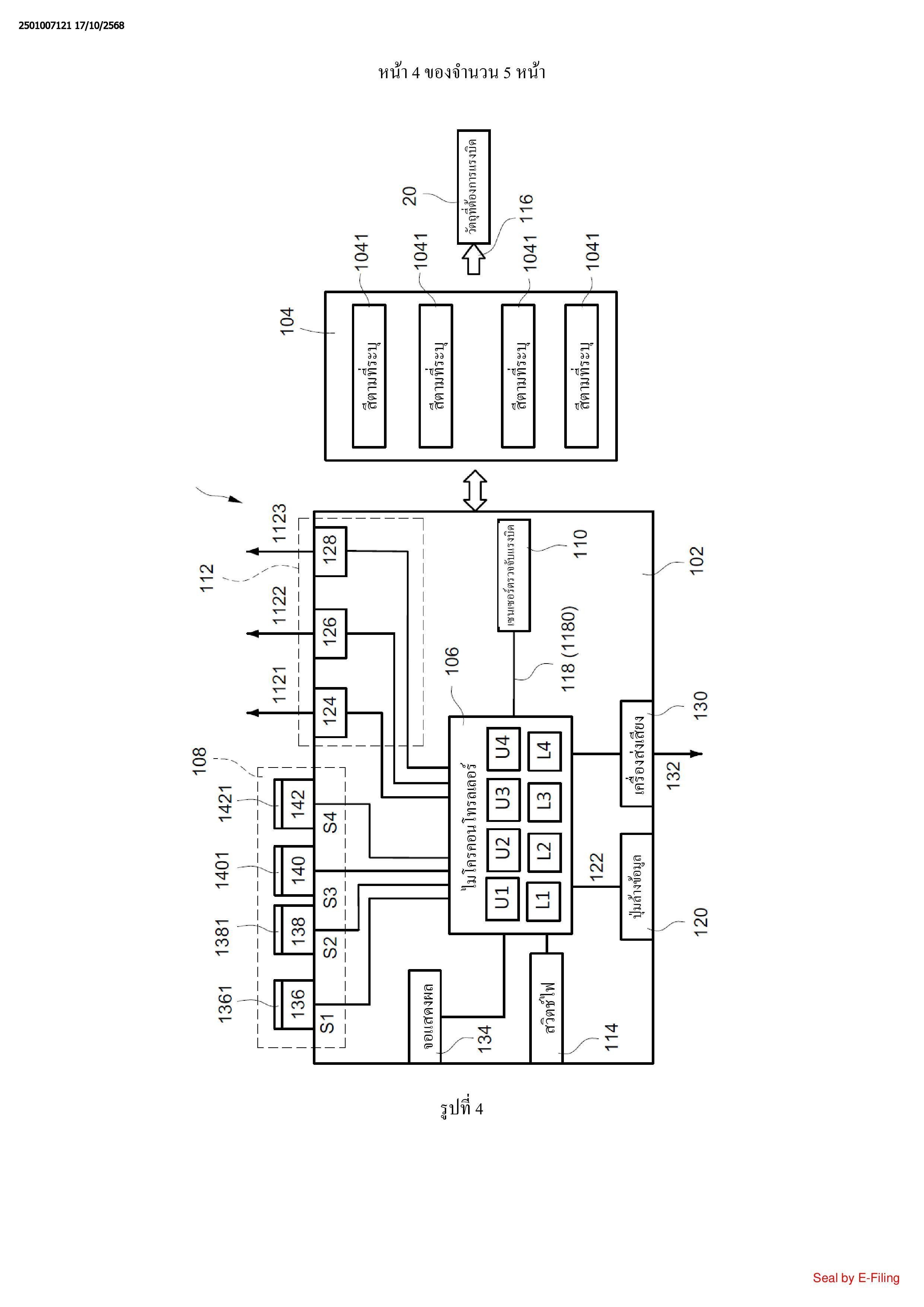
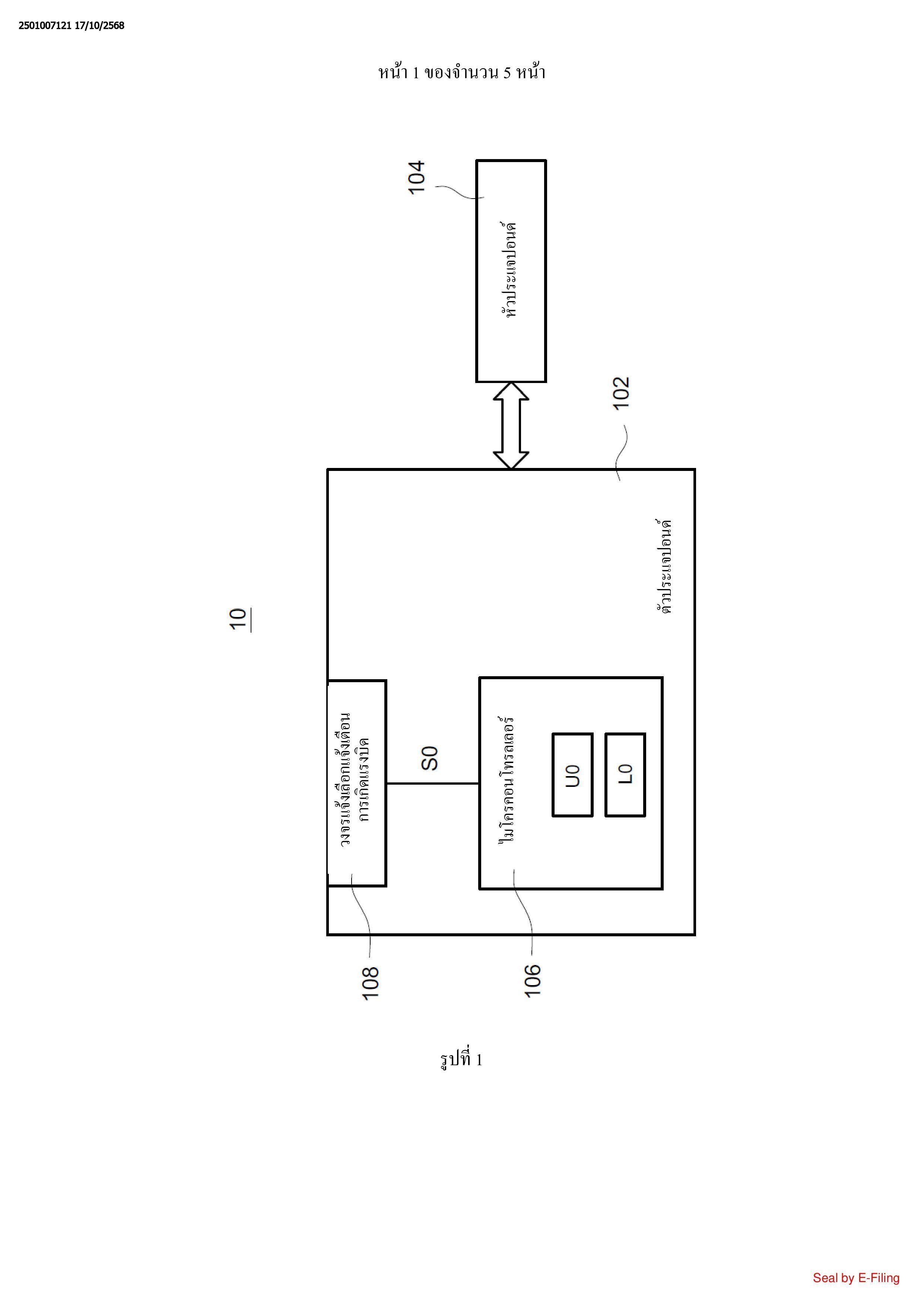
1. ชุดอุปกรณ์ประแจปอนด์ที่ประกอบรวมด้วย:

ตัวประแจปอนด์

หัวประแจปอนด์ที่ประกอบเข้ากับตัวประแจปอนด์แบบถอดออกได้

ไมโครคอนโทรลเลอร์ที่ถูกจัดเรียงอยู่ในตัวประแจปอนด์ และ

วงจรเลือกแจ้งเตือนว่าเกิดแรงบิดที่เชื่อมต่อทางไฟฟ้ากับไมโครคอนโทรลเลอร์

ที่ซึ่งวงจรเลือกแจ้งเตือนว่าเกิดแรงบิดมีการจัดโครงร่างให้ส่งสัญญาณเลือกแจ้งเตือนว่าเกิดแรงบิดไป

ยังไมโครคอนโทรลเลอร์ ไมโครคอนโทรลเลอร์มีการจัดโครงร่างให้รับค่าขีดจำกัดล่างแจ้งเตือนว่าเกิดแรงบิด

เพื่อทำให้มีค่าขีดจำกัดล่างแจ้งเตือนว่าเกิดแรงบิดและค่าขีดจำกัดบนแจ้งเตือนว่าเกิดแรงบิด ค่าขีดจำกัดบน

แจ้งเตือนว่าเกิดแรงบิดมีค่ามากกว่าค่าขีดจำกัดล่างแจ้งเตือนว่าเกิดแรงบิด

2. ชุดอุปกรณ์ประแจปอนด์ตามข้อถือสิทธิ 1 ที่ซึ่งวงจรเลือกแจ้งเตือนว่าเกิดแรงบิดประกอบรวมด้วย:

ปุ่มเลือกแจ้งเตือนว่าเกิดแรงบิดที่หนึ่งที่เชื่อมต่อทางไฟฟ้ากับไมโครคอนโทรลเลอร์ และ

ปุ่มเลือกแจ้งเตือนว่าเกิดแรงบิดที่สองที่เชื่อมต่อทางไฟฟ้ากับไมโครคอนโทรลเลอร์

ที่ซึ่งในการตอบสนองต่อการกดปุ่มเลือกแจ้งเตือนว่าเกิดแรงบิดที่หนึ่ง ปุ่มเลือกแจ้งเตือนว่าเกิดแรงบิด

ที่หนึ่งจะมีการจัดโครงร่างให้ส่งค่าขีดจำกัดล่างแจ้งเตือนว่าเกิดแรงบิดที่หนึ่งไปยังไมโครคอนโทรลเลอร์ และ

ไมโครคอนโทรลเลอร์จะมีการจัดโครงร่างให้รับค่าขีดจำกัดล่างแจ้งเตือนว่าเกิดแรงบิดที่หนึ่งเพื่อให้มีค่า

ขีดจำกัดล่างแจ้งเตือนว่าเกิดแรงบิดที่หนึ่งและค่าขีดจำกัดบนแจ้งเตือนว่าเกิดแรงบิดที่หนึ่ง และค่าขีดจำกัดบน

แจ้งเตือนว่าเกิดแรงบิดที่หนึ่งมีค่ามากกว่าค่าขีดจำกัดล่างแจ้งเตือนว่าเกิดแรงบิดที่หนึ่ง

ที่ซึ่งในการสนองตอบต่อการกดปุ่มเลือกแจ้งเตือนว่าเกิดแรงบิดที่สอง ปุ่มเลือกแจ้งเตือนว่าเกิดแรงบิด

ที่สองจะมีการจัดโครงร่างให้ส่งค่าขีดจำกัดล่างแจ้งเตือนว่าเกิดแรงบิดที่สองไปยังไมโครคอนโทรลเลอร์และ

ไมโครคอนโทรลเลอร์จะมีการจัดโครงร่างให้รับค่าขีดจำกัดล่างแจ้งเตือนว่าเกิดแรงบิดที่สองเพื่อให้มีค่า

ขีดจำกัดล่างแจ้งเตือนว่าเกิดแรงบิดที่สองและค่าขีดจำกัดบนแจ้งเตือนว่าเกิดแรงบิดที่สอง และค่าขีดจำกัดบน

แจ้งเตือนว่าเกิดแรงบิดที่สองมีค่ามากกว่าค่าขีดจำกัดล่างแจ้งเตือนว่าเกิดแรงบิดที่สอง

ที่ซึ่งค่าขีดจำกัดล่างแจ้งเตือนว่าเกิดแรงบิดที่หนึ่งและค่าขีดจำกัดล่างแจ้งเตือนว่าเกิดแรงบิดที่สองนั้น

แตกต่างกัน ค่าขีดจำกัดบนแจ้งเตือนว่าเกิดแรงบิดที่หนึ่งและค่าขีดจำกัดบนแจ้งเตือนว่าเกิดแรงบิดที่สองนั้น

แตกต่างกัน

3. ชุดอุปกรณ์ประแจปอนด์ตามข้อถือสิทธิ 2 ที่ซึ่งชุดอุปกรณ์ประแจปอนด์ใช้กับวัตถุที่ต้องการแรงบิด

ชุดอุปกรณ์ประแจปอนด์ยังประกอบรวมด้วย

เซนเซอร์ตรวจจับแรงบิดที่เชื่อมต่อทางไฟฟ้ากับไมโครคอนโทรลเลอร์และมีการจัดเรียงอยู่ในตัว

ประแจปอนด์

วงจรแจ้งเตือนว่าเกิดแรงบิดที่เชื่อมต่อทางไฟฟ้ากับไมโครคอนโทรลเลอร์และถูกจัดเรียงอยู่ในตัว

ประแจปอนด์ และ

ปุ่มล้างข้อมูลที่เชื่อมต่อทางไฟฟ้ากับไมโครคอนโทรลเลอร์

ที่ซึ่งในการตอบสนองต่อปุ่มเลือกแจ้งเตือนว่าเกิดแรงบิดที่หนึ่งและไม่ได้กดปุ่มล้างข้อมูล: ปุ่มเลือก

แจ้งเตือนว่าเกิดแรงบิดที่หนึ่งจะมีการจัดโครงร่างให้ส่งค่าขีดจำกัดล่างแจ้งเตือนว่าเกิดแรงบิดที่หนึ่งไปยัง

ไมโครคอนโทรลเลอร์ เซนเซอร์ตรวจจับแรงบิดมีการจัดโครงร่างให้ตรวจจับแรงบิดที่เกิดจากการใช้ชุด

อุปกรณ์ประแจปอนด์กระทำกับวัตถุที่ต้องการแรงบิดเพื่อสร้างสัญญาณตรวจจับแรงบิด สัญญาณตรวจจับ

แรงบิดรวมเอาค่าตรวจจับแรงบิด หลังจากเซนเซอร์ตรวจจับแรงบิดสร้างสัญญาณตรวจจับแรงบิด เซนเซอร์

ตรวจจับแรงบิดจะมีการจัดโครงร่างให้ส่งสัญญาณตรวจจับแรงบิดไปยังไมโครคอนโทรลเลอร์ หลังจาก

ไมโครคอนโทรลเลอร์รับค่าขีดจำกัดล่างแจ้งเตือนว่าเกิดแรงบิดที่หนึ่งและสัญญาณตรวจจับแรงบิด

ไมโครคอนโทรลเลอร์จะมีการจัดโครงร่างให้เปรียบเทียบค่าตรวจจับแรงบิดและค่าขีดจำกัดล่างแจ้งเตือนว่า

เกิดแรงบิดที่หนึ่ง และไมโครคอนโทรลเลอร์จะมีการจัดโครงร่างให้เปรียบเทียบค่าตรวจจับแรงบิดและค่า

ขีดจำกัดบนแจ้งเตือนว่าเกิดแรงบิดที่หนึ่ง ในการตอบสนองต่อค่าตรวจจับแรงบิดที่มากกว่าค่าขีดจำกัดล่าง

แจ้งเตือนว่าเกิดแรงบิดที่หนึ่งและน้อยกว่าค่าขีดจำกัดบนแจ้งเตือนว่าเกิดแรงบิดที่หนึ่ง ไมโครคอนโทรลเลอร์

จะมีการจัดโครงร่างให้ขับเคลื่อนวงจรแจ้งเตือนว่าเกิดแรงบิดเพื่อปล่อยแสงสีเขียวออกไป

4. ชุดอุปกรณ์ประแจปอนด์ตามข้อถือสิทธิ 3 ที่ประกอบรวมด้วยหัวประแจปอนด์จำนวนหนึ่ง ที่ซึ่งหัว

ประแจปอนด์แต่ละหัวประกอบรวมด้วยสีตามที่ระบุ สีตามที่ระบุจำนวนหนึ่งของหัวประแจปอนด์นั้น

แตกต่างกัน ปุ่มเลือกแจ้งเตือนว่าเกิดแรงบิดที่หนึ่งประกอบรวมด้วยปุ่มสีที่หนึ่ง ปุ่มเลือกแจ้งเตือนว่าเกิด

แรงบิดที่สองประกอบรวมด้วยปุ่มสีที่สอง ปุ่มสีที่หนึ่งของปุ่มเลือกแจ้งเตือนว่าเกิดแรงบิดที่หนึ่งและปุ่มสีที่

สองของปุ่มเลือกแจ้งเตือนว่าเกิดแรงบิดที่สองนั้นแตกต่างกัน สีตามที่ระบุของหัวประแจปอนด์ที่ประกอบเข้า

กับตัวประแจปอนด์และปุ่มสีที่หนึ่งของปุ่มเลือกแจ้งเตือนว่าเกิดแรงบิดที่หนึ่งเหมือนกัน ดังนั้นจึงกดปุ่มเลือก

แจ้งเตือนว่าเกิดแรงบิดที่หนึ่ง

5. ชุดอุปกรณ์ประแจปอนด์ตามข้อถือสิทธิ 4 ที่ซึ่งในการตอบสนองต่อการกดปุ่มเลือกแจ้งเตือนว่าเกิด

แรงบิดที่หนึ่งและมีการกดปุ่มล้างข้อมูลเป็นระยะเวลานานน้อยกว่าระยะเวลาตามที่กำหนดไว้ก่อนแล้ว ปุ่ม

เลือกแจ้งเตือนว่าเกิดแรงบิดที่หนึ่งจะมีการจัดโครงร่างให้ส่งค่าขีดจำกัดล่างแจ้งเตือนว่าเกิดแรงบิดที่หนึ่งไป

ยังไมโครคอนโทรลเลอร์ ปุ่มล้างข้อมูลจะมีการจัดโครงร่างให้ส่งสัญญาณล้างข้อมูลไปยัง

ไมโครคอนโทรลเลอร์ หลังจากไมโครคอนโทรลเลอร์รับค่าขีดจำกัดล่างแจ้งเตือนว่าเกิดแรงบิดที่หนึ่งและ

สัญญาณล้างข้อมูล ไมโครคอนโทรลเลอร์จะมีการจัดโครงร่างให้ปรับค่าขีดจำกัดล่างแจ้งเตือนว่าเกิดแรงบิดที่

หนึ่งและค่าขีดจำกัดบนแจ้งเตือนว่าเกิดแรงบิดที่หนึ่ง

6. ชุดอุปกรณ์ประแจปอนด์ตามข้อถือสิทธิ 5 ที่ซึ่งวงจรแจ้งเตือนว่าเกิดแรงบิดประกอบรวมด้วย

ไดโอดเปล่งแสงสีเขียวที่เชื่อมต่อทางไฟฟ้ากับไมโครคอนโทรลเลอร์และถูกจัดเรียงอยู่ในตัวประแจ

ปอนด์

ที่ซึ่งในการตอบสนองต่อค่าตรวจจับแรงบิดที่มากกว่าค่าขีดจำกัดล่างแจ้งเตือนว่าเกิดแรงบิดที่หนึ่ง

และน้อยกว่าค่าขีดจำกัดบนแจ้งเตือนว่าเกิดแรงบิดที่หนึ่ง ไมโครคอนโทรลเลอร์จะมีการจัดโครงร่างให้

ขับเคลื่อนไดโอดเปล่งแสงสีเขียวให้ปล่อยแสงสีเขียวออกไป

7. ชุดอุปกรณ์ประแจปอนด์ตามข้อถือสิทธิ 6 ที่ซึ่งวงจรแจ้งเตือนว่าเกิดแรงบิดยังประกอบรวมด้วย

ไดโอดเปล่งแสงสีเหลืองที่เชื่อมต่อทางไฟฟ้ากับไมโครคอนโทรลเลอร์และถูกจัดเรียงอยู่ในตัวประแจ

ปอนด์ และ

ไดโอดเปล่งแสงสีแดงที่เชื่อมต่อทางไฟฟ้ากับไมโครคอนโทรลเลอร์และถูกจัดเรียงอยู่ในตัวประแจ

ปอนด์

ที่ซึ่งในการตอบสนองต่อค่าตรวจจับแรงบิดที่น้อยกว่าหรือเท่ากับค่าขีดจำกัดล่างแจ้งเตือนว่าเกิด

แรงบิดที่หนึ่ง ไมโครคอนโทรลเลอร์จะมีการจัดโครงร่างให้ขับเคลื่อนไดโอดเปล่งแสงสีเหลืองให้ปล่อยแสง

สีเหลืองออกไป ในการตอบสนองต่อค่าตรวจจับแรงบิดที่มากกว่าหรือเท่ากับค่าขีดจำกัดบนแจ้งเตือนว่าเกิด

แรงบิดที่หนึ่ง ไมโครคอนโทรลเลอร์จะมีการจัดโครงร่างให้ขับเคลื่อนไดโอดเปล่งแสงสีแดงให้ปล่อยแสงสี

แดงออกไป

8. ชุดอุปกรณ์ประแจปอนด์ตามข้อถือสิทธิ 7 ที่ยังประกอบรวมด้วย

เครื่องส่งเสียงที่เชื่อมต่อทางไฟฟ้ากับไมโครคอนโทรลเลอร์และถูกจัดเรียงอยู่ในตัวประแจปอนด์

ที่ซึ่งในการตอบสนองต่อค่าตรวจจับแรงบิดที่มากกว่าค่าขีดจำกัดล่างแจ้งเตือนว่าเกิดแรงบิดที่หนึ่ง

และน้อยกว่าค่าขีดจำกัดบนแจ้งเตือนว่าเกิดแรงบิดที่หนึ่ง ไมโครคอนโทรลเลอร์จะมีการจัดโครงร่างให้

ขับเคลื่อนเครื่องส่งเสียงให้ปล่อยเสียงออกไป

9. ชุดอุปกรณ์ประแจปอนด์ตามข้อถือสิทธิ 8 ที่ซึ่งหัวประแจปอนด์แต่ละหัวมีการสลักให้มีขนาดช่อง

เปิดประแจ ขนาดช่องเปิดประแจจำนวนหนึ่งของหัวประแจปอนด์นั้นแตกต่างกัน ขนาดช่องเปิดประแจมี

ความเกี่ยวข้องกับสีตามที่ระบุ

10. ชุดอุปกรณ์ประแจปอนด์ตามข้อถือสิทธิ 3 ที่ซึ่งหัวประแจปอนด์เป็นหัวประแจที่ปรับได้ หัว

ประแจปอนด์ประกอบรวมด้วยสีตามที่ระบุจำนวนหนึ่ง สีตามที่ระบุสีต่าง ๆ นั้นแตกต่างกัน ปุ่มเลือกแจ้ง

เดือนว่าเกิดแรงบิดที่หนึ่งประกอบรวมด้วยปุ่มสีที่หนึ่ง ปุ่มเลือกแจ้งเตือนว่าเกิดแรงบิดที่สองประกอบรวม

ด้วยปุ่มสีที่สอง ปุ่มสีที่หนึ่งของปุ่มเลือกแจ้งเตือนว่าเกิดแรงบิดที่หนึ่งและปุ่มสีที่สองของปุ่มเลือกแจ้งเตือนว่า

เกิดแรงบิดที่สองนั้นแตกต่างกัน ช่องเปิดของหัวประแจปอนด์ปรับได้เพื่อชี้ให้เห็นอย่างสอดรับกันว่าสีตามที่

ระบุเหมือนกันกับปุ่มสีที่หนึ่งของปุ่มเลือกแจ้งเตือนว่าเกิดแรงบิดที่หนึ่ง แล้วจึงกดปุ่มเลือกแจ้งเตือนว่าเกิด

แรงบิดที่หนึ่ง